>
产品中心
>
微型光伏并网逆变器
>
BDN
>
BDN300~600
产品特性
全球领先的DC-AC隔离拓扑架构;
输出功率因数可调(有功和无功);
IP67防护等级;
Wi-Fi +蓝牙通讯,配网快,连接稳定,手机端可以通过APP远程监控状态和软件升级;
内置继电器安全保护;
输入,输出端子均采用高强度抗紫外线材料。
性能参数
产品型号 | BDN300 | BDN350 | BDN400 | BDN600 |
模块电源功率(W) | 300 | 350 | 400 | 600 |
MPPT峰值效率电压范围(Vdc) | 30-48 | 30-48 | 30-48 | 30-48 |
启动电压范围(Vdc) | 25 | 25 | 25 | 25 |
工作电压范围 (Vdc) | 25-60 | 25-60 | 25-60 | 25-60 |
最大输入电压 (Vdc) | 60 | 60 | 60 | 60 |
最大输入电流 (A) | 1x13.0 | 1x13.0 | 1x13.0 | 1x3.0 |
额定输出功率 (VA) | 300 | 350 | 400 | 600 |
额定输出电流(A) | 1.3 | 1.5 | 1.7 | 2.6 |
额定输出电压 (Vac) | 230 | 230 | 230 | 230 |
额定频率/范围 (Hz) | 47.5-51.5 | |||
功率因数 (可调) | >0.99 | |||
输出电流总谐波畸变率 | <5% | |||
支路做大连接数 | 16 | 14 | 12 | 8 |
CEC最高转换效率 | 96.20% | |||
CEC加权效率 | 96.00% | |||
MPPT跟踪效率 | 99.50% | |||
夜间功耗 (mW) | <80 | |||
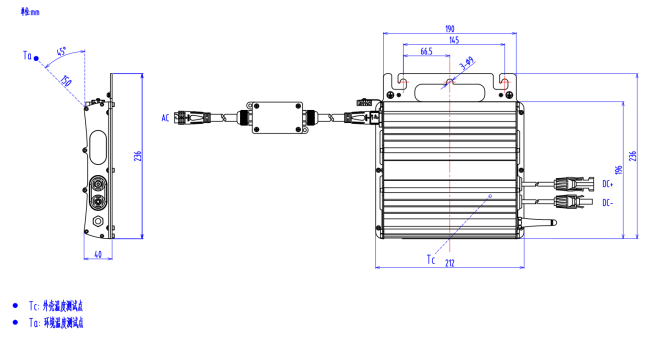
机械尺寸
| 产品型号 | BDN300 | BDN350 |
BDN400 |
BDN600 | ||
|---|---|---|---|---|---|---|
|
高(mm) |
40 |
40 |
40 |
40 |
||
|
宽(mm) |
236 |
236 |
236 |
236 |
||
|
长(mm) |
212 |
212 |
212 |
212 |
||
推荐产品
